
技術支持:18012705398
銷售熱線:18962176798
清(qīng)空記錄
曆史記錄
取消
清空記錄
曆史記錄





產品中心
一、產品(pǐn)型號:不鏽鋼氣動攪拌機
二、產品特點
適用於50L~1000L桶(tǒng)油(yóu)漆塗料、油墨、膠(jiāo)水等化工液料攪拌、混合(hé)、分散。
氣動升降高度自由調整、提高攪拌作業(yè)效率(lǜ)、降低勞動強度。
升降高(gāo)度:升高(gāo)後葉輪離地距離可按客戶(hù)桶要求訂製。
連接套(tào)、攪拌軸、槳葉采用國標SUS304#不鏽鋼材質,攪拌槳葉拋光度更好,焊接平滑,易清洗,不(bú)易殘留(liú)其他液料;葉片厚度是其它牌的2倍,強(qiáng)度高。
三、技(jì)術參數
型(xíng)號 Model | 技術參數 Operation Data | ||||||||||
最大壓(yā)力 Max Pressure | 功率 Power at max output | 轉速 Speed at max output | 耗氣量 Air Consumption at max output | 葉(yè)輪 Impeller | 攪拌(bàn)軸 Mixing shaft | 適(shì)用粘度(dù) Viscosity | 攪拌容量 Mixing capacity | ||||
bar | psi | hp | kW | rpm | m³/h | CFM | in | mm | CPS | L | |
YSMASJSS-P2 | 6.0 | 87 | 1/6 | 0.12 | 2000 | 12.7 | 7.5 | AD6 | 12×500 | ≤2000 | 50 |
YSMASJSS-P4 | 6.0 | 87 | 1/3 | 0.25 | 0~1800 | 16.0 | 9.4 | AD8 | 16×800 | ≤5000 | 50 |
YSMASJSS-P6 | 6.0 | 87 | 3/4 | 0.56 | 0~1400 | 30.4 | 17.9 | AD10 | 20×1000 | ≤15000 | 250/1000 |
YSMASJSS-P7 | 6.0 | 87 | 1.5 | 1.11 | 0~720 | 59.1 | 30.4 | AD12 | 25×1000 | ≤25000 | 250/1000 |
YSMASJSS-V4 | 7.0 | 100 | 1.7 | 1.27 | 0~3000 | 132.5 | 78.0 | AD8 | 16×1000 | ≤5000 | 250 |
YSMASJSS-V6 | 7.0 | 100 | 4.0 | 3.0 | 0~3000 | 228.0 | 128.0 | AD10 | 20×1000 | ≤10000 | 250/1000 |
YSMASJSS-V8 | 7.0 | 100 | 5.3 | 4.0 | 0~2500 | 293.0 | 175.0 | AD10 | 25×1000 | ≤20000 | 1000 |
*氣動攪(jiǎo)拌機工作時,需加裝空氣過濾器、油(yóu)霧器,以達更高工作效率和更長使用壽命。
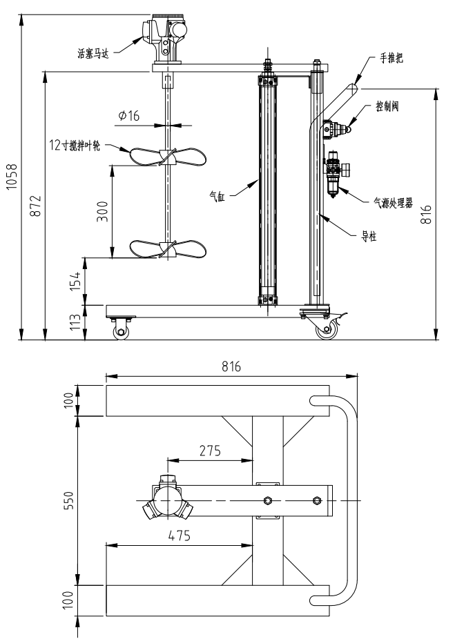
四(sì)、外形尺寸

一、產品型號:不鏽鋼氣動攪拌機
二(èr)、產品特點
適用於50L~1000L桶油漆塗料、油墨、膠水(shuǐ)等化工液料攪拌、混合、分散。
氣動升降高(gāo)度(dù)自由調整、提高攪拌作業效率、降低勞動強度。
升降高度:升高後葉輪離地距離可按客戶桶要求訂製。
連接套、攪拌(bàn)軸(zhóu)、槳葉采用國標SUS304#不鏽鋼材質,攪拌(bàn)槳葉(yè)拋光度更好,焊接平(píng)滑,易清洗,不易(yì)殘留其他液料;葉片厚度是其它牌的2倍,強度高。
三、技術參數
型號 Model | 技術參(cān)數 Operation Data | ||||||||||
最大壓力 Max Pressure | 功率(lǜ) Power at max output | 轉速 Speed at max output | 耗氣(qì)量 Air Consumption at max output | 葉輪 Impeller | 攪拌軸(zhóu) Mixing shaft | 適(shì)用粘度 Viscosity | 攪拌(bàn)容量 Mixing capacity | ||||
bar | psi | hp | kW | rpm | m³/h | CFM | in | mm | CPS | L | |
YSMASJSS-P2 | 6.0 | 87 | 1/6 | 0.12 | 2000 | 12.7 | 7.5 | AD6 | 12×500 | ≤2000 | 50 |
YSMASJSS-P4 | 6.0 | 87 | 1/3 | 0.25 | 0~1800 | 16.0 | 9.4 | AD8 | 16×800 | ≤5000 | 50 |
YSMASJSS-P6 | 6.0 | 87 | 3/4 | 0.56 | 0~1400 | 30.4 | 17.9 | AD10 | 20×1000 | ≤15000 | 250/1000 |
YSMASJSS-P7 | 6.0 | 87 | 1.5 | 1.11 | 0~720 | 59.1 | 30.4 | AD12 | 25×1000 | ≤25000 | 250/1000 |
YSMASJSS-V4 | 7.0 | 100 | 1.7 | 1.27 | 0~3000 | 132.5 | 78.0 | AD8 | 16×1000 | ≤5000 | 250 |
YSMASJSS-V6 | 7.0 | 100 | 4.0 | 3.0 | 0~3000 | 228.0 | 128.0 | AD10 | 20×1000 | ≤10000 | 250/1000 |
YSMASJSS-V8 | 7.0 | 100 | 5.3 | 4.0 | 0~2500 | 293.0 | 175.0 | AD10 | 25×1000 | ≤20000 | 1000 |
*氣動攪拌機工作時,需加裝空氣過濾器、油霧器,以達更(gèng)高工作效率(lǜ)和更長使用壽命。
四、外形尺寸

